My Pink Powered Parachute Finally Has a Name

It’s been a heck of a summer between me and my Powered Parachute (PPC). Between the carburetors clogging and the machine losing power every time I climbed steeply I’ve been struggling to gain trust in my machine. It seems it all boiled down to dirty gas. Well, old gas actually. I let the gasoline sit in the tank for more than 8 months and many of the additives began to solidify and clock the narrow ports in the carburetors. After many times removing both carburetors and cleaning them I finally got the machine to run reliably. I also added Sea Foam to my tank and soaked my carbs in it. Pro tip: If you’re going to let gasoline sit in your tank for extended periods, add this stuff to it prior and let it run through the entire engine before you let it sit. You’ll be glad.

So the last issue to tackle was the engine stopping when climbing steeply. What the heck was causing that? Well a friend looked at the carbs and asked, “Should they be angled like that?”

Well… no. No they shouldn’t.

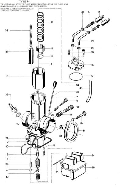
If you look at #24 in the above diagram, those are the two carb floats. They float in a pool of gasoline in the bottom of the carburetor. They are independent of one another and both work to lift a lever that closes the float valve (#26), it looks like a little pencil. When the fuel reservoir in the bottom of the carb gets too full, the floats will push the valve closed, as the level of the fuel drops, the floats drop and allow the valve to open up and allow more fuel into the reservoir (bowl).

Well, the carbs were oriented vertically on the ground. What this mean is that when climbing steeply the fuel in the bowl was staying level, because that’s what fluids do. The rear most float was higher than the front float and was therefore closing the valve, causing the engine to start to die. When I leveled out, the fuel in the carb bowl leveled out and allowed the valve to open again and the engine would again run normally. The solution was surprisingly simple, to rotate the carbs on their mounts so that they would be a little more level in a climb than they were before. Sounds strange but it worked like a charm!

The last thing I did was finally select a name for my flying machine. I think it’s perfect.

Now with Chemtrails!!

A Good Weekend

I have nothing earth-shattering or deeply philosophical to add in this post. Just gratitude for the ability to fly. Gratitude that I’ve been given the opportunity to fly a Christian brother’s airplane. Gratitude that I could fly my own flying contraption, even for a short time. All within the span of one weekend.

One day, I took James Davis’ Aeronca 7AC Champion (Champ) for a flight. It was a beautiful, maybe slightly breezy, morning. The flight was gorgeous but starting the engine after getting gas was a bear. You see, the Champ’s engine doesn’t have a starter. You have to swing the prop by hand to get it started. It can be daunting when the engine is warm. I’d forgotten how much. Still, it was a pleasure to fly.

Two days later I finally pulled my powered parachute out of the garage and hauled it out to New Jerusalem for a test flight. I had detached and reattached the parachute after getting it flipped and fairly messed up. I put it all back the way I thought it should be but the true test would be a taxi test, kiting the wing, and then flying it. Got that accomplished. It was a short flight because the air was a little sporty for so early in the morning. Still felt good to get it up and around the pattern a few times.

Grinning like an idiot! And before you ask, my jacket is puffed up with air. No, really!

And to top all this off we had both the kids over to celebrate our country’s independence from Britain. Have fun at work today England! It’s been a great weekend.

Red Hills Fly-In 2022

This past Memorial Day weekend I attended the Red Hills fly in! The fly in was started years ago by.. well me! I flew in to the Red Hills strip with a friend and paid a visit to my dear friends Jack and Myrna. The reason for the visit was to introduce them to my friend Joey so that he could fly in there when ever he wanted. We told them about our flying and camping adventures and I mentioned that their ranch and strip would be a great place for a fly-in and camp out. Jack thought it was a great idea and so Memorial Day weekend was selected and the Red Hills Fly-in was born! I tried to keep up with organizing these fly-ins for a few years but my day job kept getting in the way. Also getting rid of my airplane made it so I spent less time on the back country airplane forums. We’re very grateful that Rich Finkle decided to take on organizing the fly-ins and keeps up with it today. Now I can just show up and enjoy myself!

This year saw the lowest turnout of any year we’ve held the fly-in. Mechanical issues and weather kept most pilots away. Even though I don’t have a plane to fly there anymore I wouldn’t miss it for the world. I loaded my powered parachute on my trailer, threw my tent and some clothes in the back of my truck and headed up the hill to Moyle Valley Ranch in the heart of Red Hills. No matter if I flew my plane in past years, or drove my truck up this year, it takes an hour door to door to get there.

I pulled into the ranch after navigating the serpentine dirt road to get there. I saw one airplane parked in the parking area and Jack Moyle with a big smile on his face walking up to greet me. I said hello to him and Myrna Moyle and then was introduced to the pilot who and flown in. I’ve met him before but I always let Jack introduce me to people if he wants to. I proceeded to set my tent up and after I was all settled it was time to drive into Jamestown for dinner. As there were only 5 of us there, (Jack and his wife Myrna, John and ladyfriend Gayle, and me playing the role of bachelor) we rode into Jamestown in Jack’s truck to forage for dinner.

Jack suggested a place he and Myrna hadn’t been to yet called The Service Station. They have standard pub food and a decent selection of beers and wines. And a darn-good iced tea as well! All agreed that the food was pretty darned good. Conversation mainly hovered around hearing aids. 😀 Comparing features and prices. Then things got really good when Jack and John started arguing over whether Jack was going to pay for his dinner or not. As I was sitting between then I thought it best to move to a safer position in case they came to throwing punches. I’m not sure who won but no one got a black eye and all the bills were paid.

After dinner Jack ran me by Dollar General so I could buy some batteries for my air mattress pump. The rest of the group wandered the streets (street?) of Jamestown looking at all the closed shops. Jamestown is still small town America and they close up pretty early at night. Especially on a holiday weekend. I got my batteries and Jack swung back by and picked the rest of the group up and we headed back to the ranch.

When we got there Joey Meyers, his wife Suzanne, and their daughter Kylie had arrived and set up camp. They had driven in with Joey’s powered parachute packed up in the back of their toy hauler. Apparently it was quite the adventure getting from Vacaville to Red Hills. Highway closures and holiday traffic turned a two hour trip into a 4 hour ordeal. They finally made it and decompressed a bit as we all caught up on everyone’s news. We shivered in the wind for a bit but once it got dark we all decided to turn in early. It was cold, VERY windy and Jack didn’t want to chance starting a campfire that night so we all called it a day. I crossed my fingers and hoped for a less windy Saturday as I drifted off to sleep.

When I woke up on Saturday morning it was just starting to get light out. The birds were singing and it sounded like the wind had stopped! Then after laying in my sleeping back for about 2 minutes I heard a big “whoosh” sound in the trees and my tent started flapping again. I peeked out and looked at the windsock, it couldn’t make up it’s mind which way it wanted to point. I zipped my tent shut and crawled back into my sleeping back and went back to sleep. It was STILL windy.

When I heard people talking and could smell campfire smoke I finally crawled out of my tent and joined Jack and John by the fire. Myrna made fresh coffee and set out some banana bread for breakfast. Before long Mike (can’t remember last name) and his wife showed up from Modesto in his PA-11 and made possibly one of the shortest no-flap landings I have ever seen at Red Hills. More importantly he brought donuts from Mr. T’s in Modesto. They are a local legend in our town. Shortly afterwards Jon and Tom Marring showed up. Jon in his carbon cub and Tom in his Scout. Jon brought sever flats of apricots and a bunch of cantaloupes. Joey also brought some lemons that were the size of grapefruits. And for a while we all sat around the fire and did what pilots do best; tell stories.

Mike and his wife didn’t stay long as they had an afternoon engagement back in Modesto. Tom and Jon left soon after for the same reasons. Other than John Pfaff these were the only other airplanes to show up. The winds had slackened a little when they all left but picked up again soon after. Wind was to be the recurring theme of the weekend and is probably what kept most pilots away.

For the remainder of the afternoon we all just relaxed, took walks, and just talked among ourselves. Joey found a few squawks on my powered parachute and pointed them out to me (thank you Joey). He ran his motor up just in case the wind died down at some point during the weekend (it never did) so he would be ready to hit the skies.

We all decided to have dinner a little early so we started putting food out at around 4:30pm. My wife had arrived with some jalapeno-cheddar sourdough bread from Klean-Eatz Market and Bakery. There was plenty to eat for everyone thanks to Jack and Myrna’s family showing up with lots to eat. We had a nice little buffet with the Moyle family and after they left, we all retired to the campfire. We stayed around the fire until 10pm or so and then retired because the wind was just relentless.

The next morning the wind was… still blowing. Myrna was busy making coffee, scrambled eggs, ham, sausage patties, and PANCAKES! Their son Jim and his son Tanner showed up and helped with breakfast. Then they helped eat breakfast. Everything was delicious and I was stuffed. I don’t normally eat breakfast but I never miss out on Myrna’s pancakes.

After breakfast John and Gayle packed up his 182 and departed for the northern coast. I hung out a bit longer and chatted with everyone. I had already packed up and hitched up my PPC trailer before breakfast so I could just relax afterwards and enjoy my last minutes of peace and quiet. At about 1pm I bid everyone farewell and made the one hour drive back to the flat lands and my home.

As an addendum Joey did stay one more night and was able to get a quick flight in on Memorial Day morning. He said it was smooth on the ground but pretty sporty up in the air. He cut his flight short and got back on the ground.

All in all it was a great fly-in. Far fewer people showed up than signed up. However, it was nice because everyone who did show up was able to talk to each other more. I guess you could call it a more intimate fly-in this year. Even so I’m really hoping for better weather next year and more airplanes. We never know how many more fly-ins we have with these wonderful people. I want to make each one count!

Hope to see more of you next year!

When We Triumphantly Return To The Skies

Well, as that overly-hyped title says today marks my return to flight status. As I wrote in this post I had to make repairs due to what happened when my PPC fell off the trailer. This morning was perfect flying weather. I headed out to New Jerusalem just as the sun was coming up. I started setting up shortly before 7am and left the ground at 7:18am.

This is NOT the runway I took off from! It’s over to the left. This is the old parallel runway that is leased by local farmers.

I climbed to about 200 feet and just started cruising around the field making sure everything still works. It all did. So are started wandering a little farther afield. That’s really not too far considering my airspeed is only 27-30 mph. But the Pink Panther just kept purring like a little pink kitten.

So it wasn’t a very long flight today, maybe about 30 minutes or so. I have to find a solution for the seat. It only comes up just to my lower back and my back starts to ache after about 20 minutes or so. It’s sure building up my core muscles!

Front and back seat of my powered parachute

As you can see from the above photo, the back seat passenger has full back support, the pilot has to rely on the back seat passenger for back support – they ARE the back support! Without anyone in the back seat I have no back support. I’m going to try to rig up some pillows to lean against for more comfortable, longer flights. Still, it’s great to be back in the sky!

See you next time!

When We Fix What We Break

When we last tuned in our intrepid pilot was kicking himself for crashing his pink flying thing while it was still on the ground and he wasn’t even in it! Well, about $500 later we’re back to having an airworthy flying machine again! It took about three weeks total to order the repair parts and have them delivered. It took about a day and a half to actually make the repairs.

The propeller was sent back and recondition back to good as new. Each blade was rebalanced and sent back. This was the first repair I made. After receiving the blades back I re-assembled the propeller, attached it to the engine, and set the blade angle at 12 degrees (as measured from the hub of the prop).

Then, a few days later I received the aluminum tubing back. It took about 8 hours to re-drill all the holes and bolt the tubes back on the airframe. Here is the end result:

Tubing finally drilled out and mounted

All damage repaired!

As you can see from the photos, the grey unpainted tubing are the repairs. I will disassemble one tube at a time and repaint them gloss black. I will paint the ring section in place as it is riveted in. That will take about a week. I should be flying next Saturday, painted or not!

When We Don’t Properly Secure A Load

I’ve been involved in two aircraft accidents… crashes if you will. My favorite line is “I crash better than anyone I know.” Well, recently I found out that I could even crash an aircraft when I’m not even in it, heck, when it’s not even flying! Here’s the story.

I wanted to go flying before work a few weeks ago so loaded everything up and drove out to New Jerusalem. When I arrived I found two crop dusters working on the field. That’s not a problem I just take off from the taxiway and they use the runway and we stay out of each other’s way. I started to unload my PPC but then there was a spray rig spraying who-knows-what on the almond trees at the end of the runway and clouds of it were blowing onto that end of the airport. I decided I would just drive to the other end of the runway and fly from there. The front wheel was already disconnected but the two rear wheels were still tied down. I thought it would be fine if I drove slow.

Can you see where this is going?

I started driving to the other end of the field. About half way down… I hit a bump. Something caught my eye in the rear-view mirror: it was the nosewheel of my PPC sticking way up in the air! I quickly stopped and walked back to find the back of my PPC on the ground. The bottom of the fan ring (the ring that protects the prop) was broken as were the three lower supports that connect it to the rest of the airframe. The whole rear of the PPC was resting on one prop blade.

Ugh.

It was a struggle but I go the PPC off the trailer, loaded it back up and properly lashed it all down. I was so angry with myself I couldn’t go into work. I got home and started assessing the damage.

Broken fan ring segment
Broken lower support tube – supports the fan ring
Another view of the broken support tube
This is where the propeller contacted the ground
Another broken support tube
Center support tube all ground up where it was skidding on the ground

The good news is that repair parts have been ordered. The prop is being repaired and is on it’s way back to me. So within a couple of weeks we should have the Pink Panther back in the air. And we learned a valuable lesson about securing loads on the trailer. Don’t ever move it unless all three wheels of the PPC are tied down!

Mallion Repair

My Six Chuter Powered Parachute is running well now however, I did notice one issue a few weeks ago. I had gotten my lines twisted somehow and so to straighten it out I had to detach the parachute from the cables that attach it to the airframe. In doing so I found one of the mallions (also known as a rapid link) did not snug down properly when I re-tightened the turnbuckle to close it. I couldn’t turn it by hand so it was probably safe, but it wasn’t right so I decided to replace it.

This is what a mallion looks like:

Mallion or rapid link

To use it you put the rope, chain, or cable through the opening and then screw the turnbuckle shut until it is snug. It should look like this:

Properly closed mallion

But this one looked like this:

Stripped turnbuckle

This would would turn past where it should have stopped and snugged itself. Probably okay but not right. So as I said I replaced not only this mallion but all six. There are three per side. Why are these so important? Because they attach the airframe to the parachute.

Brand new mallions

Two mallions connect the parachute lines to the cables that connect to the airframe, and one mallion holds the two cables together. This is what I hang from! Incidentally the red rope is the brake or steering line, it is connected to the rudder bar on the airframe and the back side of the parachute. The are all new now so I can feel a little safer when flying!

Flying the String Wing Again

If you’ll recall in my blog post titled I Went And Bought A Thing I bought a powered parachute (PPC). I’ve made some engine modifications and done all the testing and everything looks good. I’ve flown it 4 times now and am finally getting comfortable being back in the string wing saddle again.

This morning I drove out to New Jerusalem to get a quick flight in before work. I was greeted with not one but two crop duster crews. I went and talked to them to find out where they would be flying so I could stay out of their way. Wasn’t going to be a problem. In order to further stay out of their way I took off and landed on the taxiway. The crop dusters never use it. They land toward their ground crews and take off in the opposite direction; no matter what the wind is doing.

I laid out my parachute and hopped into my little pink go cart. I was a little worried about starting it. It gets notoriously hard to start when the engine is hot. This is why I don’t let it warm up too much before flying. However, I needn’t have worried, it fired up on the first pull. After a quick prayer thanking God for this gift and for His protection, I punched the throttle. The chute popped off the ground and inflated nicely. The taxiway had plenty of room for me to maneuver and stabilize the chute. Once it had stabilized I added throttle and pretty much just jumped off the ground. I reduced throttle to put it in a gentle climb.

I tried to keep my eyes on the crop dusters because they rarely use the radio. I listened for them on the radio anyway. After getting getting airborne I noted that there was a pretty good breeze blowing at about 100 feet off the ground. My forward progress slowed considerably the higher I climbed. Even though there was no wind at ground level, it was definitely breezy above. But it was smooth so no problem.

Cruising over the orchard next to the runway
Sunrise

After about 20 minutes of cruising around near the airport it was time to head back so I could get to work on time. I didn’t want to get too far from the airport as last time I had a fuel line rupture after I had landed. I repaired the problem but I wanted to stay close in case the broken fuel line was a symptom and not THE problem. I flew out over the orchard to the south of the runway and made an abbreviated approach (made possible by the stiff breeze). Just above the runway the wind quit and I sped up! Not a problem though, it actually helped my landing. After landing everything on the fuel line looked good. Having survived a sortie in the sky once more I loaded up the “Pink Thing”, taunted the crop duster crew a little, and then drove to work.

As a treat for reading this far here is a short video from the flight this morning.

PPC – First Modifications

After getting my Powered Parachute (PPC) back home I wanted to start it up to see how it runs. The seller had sent me a video of the engine running but I wanted to see it for myself. It started up okay but ran pretty rough and would NOT idle correctly. If I brought the throttles back anywhere near their fully back position the engine would die. After talking to a friend who is pretty knowledgeable on PPCs and doing some online research I decided to remove the intake silencer. Most sources said they don’t really work all that well on quieting engine noise and don’t do anything to make the engine run better. So my first modification was to remove it.

Intake silencer installed on the engine. Started the removal process.

I unbolted the intake silencer and removed it from the engine.

Next I covered the carburetor intakes while I ordered the parts I would have to replace as a result of removing the intake silencer. First, I would need two air filters, one for each carburetor. Next I would need two new main jets as Rotax has a main jet recommendation for use with and without intake silencers and the jets are two different sizes. So while I was ordering the correct parts I covered the air intakes.

While the parts were on order I also decided to check the other components of the carburetor to make sure they were clean and correct. I checked the main jet, idler jet, needle jet, and jet needle (yes those are two different things) to make sure the correct parts were installed.

148?? Nope need a 158 main jet.
2.68 Needle Jet…. Yep, that checks out. Correct.
11K2 Jet Needle. Yes, that’s the right part.
45 Idler Jet… Yes, also correct. We’re in pretty good shape.

So after verifying and cleaning these jets and the needle I reassembled the carburetor and ordered two air filters and two 158 main jets.

After receiving the main jet installation is very simple. Remove the carburetor bowl (slide one clip out of the way and drop the bowl) and unscrew the main jet at the bottom of the carb. Screw the new jet in and replace the bowl. Next I put on the two new air filters.

Now after having verified the right parts in the carburetor it was time to adjust the idle. I went with Rotax’s standard recommendations to start with. Setting the idle speed on this carb is kind of like hitting a moving target. There are so many adjustments to make and every adjustment affects every other adjustment. Rotax recommended screwing in the air regulating screw all the way in and then back out 1/2 turn. They recommended screwing in the adjustment screw all the way in and then out 3 full turns. This is were I started and the only difference from these defaults was that I ended up screwing the adjustment screw out 2 1/2 turns. This gave me an idle speed of 2200 rpm with the throttle at the rearward stops. Now, here is the translation. The air regulation screw controls the idle mixture, so the closer you are to sea level, the richer it needs to be. The higher up you are, the leaner. What they call the adjustment screw actually just limits how far the throttle slide inside the carburetor will travel to the closed postion. So once you get the idle RPM running nicely with the air regulation screw, you set the minimum idle speed with the adjustment screw. If I were to give them names I would call them the idle mixture screw and the throttle stop screw.

Next I have to take the PPC out to the airport and do some full throttle tests. I don’t want to do that in my neighborhood because it’s way too noisy. More to come!

I Went And Bought A Thing

The bad news was that the flying club I belong to is closing down. I hate bad news. To console myself I started browsing Barnstormers.com for airplanes I couldn’t afford. I thought about the powered parachute (PPC) that I owned and I kind of missed it. I started looking at PPC’s on Barnstormers and all were either on the East Coast or where out of my price range. Then I stumbled on an ad for a Six Chuter PPC – call for details. I emailed the guy and got back a detailed list of what he was selling and for how much. His price was firm but it was a very good price for what he was offering. I put a deposit down on it on the spot. I ran the ad by my friend who has been into PPCs for years, got me into it. He agreed it was a smoking deal so I made arrangements to complete the purchase. The only problem, it was two states away from me almost on the Canadian border. About a 950 mile drive. One way.

No problem.

I asked Mrs. Flying Dutchman if she was up for a road trip. She hemmed and hawed a bit until I told her she could just ride with me half way and then stay in Bend, OR, our first overnight spot and spend the day shopping while I drove the rest of the way to pick up the PPC. She was sold.

We left home at the crack of 7:30am and started driving north from central California. Past Sacramento and up the Central Valley. We stopped off in Williams, CA to have lunch at Granzella’s. Delicous Reuben sandwiches and nice restaurant as well as the deli where we got the sandwiches. We stayed on I-5 until we got to Weed, yes, Weed and then jumped over to US 97 and took that past Klamath Falls all the way into Bend. It was kind of a whirlwind journey.

Klamath Lake
US 97 just goes on and on and on…

We got to our hotel in Bend, The Hampton Inn in the Old Mill District. We had dinner and pretty much fell into bed exhausted. We did take in some sights before crashing for the night. I got up and hit the road at 4:30am the next day and didn’t get back until midnight. It was a grueling drive up to Chewalah WA which is about 30 miles north of Spokane, and about 30 miles from the Canadian border! I didn’t take many pictures. Here are a couple I managed to grab on my way up.

Cristy enjoyed her day in Bend however. Here are a few photos that she took.

So all that driving… what the heck did I come home with?

When we finally got back home we were completely exhausted but at least I know I got a great deal. Now to go over it with a fine tooth comb and make sure it’s airworthy. More to come!